Vektorgrafik aus Inksacpe einbinden

Tabellen und Grafiken erstellen und anordnen


000Fite
Forum-Anfänger
Forum-Anfänger
Beiträge: 43
Registriert: Sa 26. Okt 2013, 18:06

Vektorgrafik aus Inksacpe einbinden

Beitrag von 000Fite »

Hallo zusammen,

ich versuche derzeit, eine Vektorgrafik aus Inkscape herauszuspeichern und in mein Latex-Dokument einzubinden. Ich komme allerdings nicht weiter, weil ich immer einen Fehler bekomme:

! LaTeX Error: File `Schaltbild_Kompressionswaermepumpe.pdf_tex/end.tex' not found.

Möglicherweise klappt auch bereits das rausspeichern aus Inkscape nicht korrekt.


Im Anhang befinden sich die relevanten Files in einer ZIP-Datei:
- Inkscape-Datei: Schaltbild_Kompressionswaermepumpe.svg
- Erzeugte pdf-Datei: Schaltbild_Kompressionswaermepumpe.pdf
- Erzeugte pdf_tex-Datei: Schaltbild_Kompressionswaermepumpe.pdf_tex
- Screenshot, wie abgespeichert wurde
\documentclass[12pt,a4paper]{article}

\usepackage[utf8]{inputenc} 
\usepackage[ngerman]{babel}
\usepackage{graphicx}
\usepackage{import}
\usepackage{epstopdf}
\usepackage{pstricks}
\usepackage{tikz,pgfplots}

\begin{document}

\section{Funktionsprinzip der Wärmepumpe}

\begin{figure}
\centering
\import{Schaltbild_Kompressionswaermepumpe.pdf_tex}
\end{figure}

\end{document}
Viele Grüße
000Fite
Dateianhänge
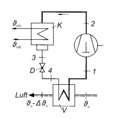
So_sollte_Die_Grafik_eigentlich_aussehen.JPG
Schaltbild_Kompressionswaermepumpe.zip
(54.28 KiB) 167-mal heruntergeladen

ich meine ja nur

Re: Vektorgrafik aus Inksacpe einbinden

Beitrag von ich meine ja nur »

Verwende statt \import den Standard-LaTeX-Befehl \input. Allerdings sind dann noch ein paar Zeichen wie ϑ verwendet, die nicht definiert sind. Die musst du ggf. noch durch entsprechende LaTex-Anweisungen (üblicherweise im Mathemodus statt mit \textit) ersetzen.

AFAIK ist das Paket import bisher schlecht an LaTeX seit 2020-10-01 angepasst. Das solltest du derzeit also eher generell vermeiden.

ich meine ja nur

Re: Vektorgrafik aus Inksacpe einbinden

Beitrag von ich meine ja nur »

Ich vergaß: Schaltbild_Kompressionswaermepumpe.pdf wird bei mir als leeres Blatt angezeigt. Ob das an dem PDF liegt oder an meinem Rechner, weiß ich nicht. Bei mir wird dann im PDF-Viewer nur die Beschriftung angezeigt.

000Fite
Forum-Anfänger
Forum-Anfänger
Beiträge: 43
Registriert: Sa 26. Okt 2013, 18:06

Re: Vektorgrafik aus Inksacpe einbinden

Beitrag von 000Fite »

Ok, Danke. Ja genau, irgendwie habe ich auch ein Problem, aus Inkscape das ganze vernünftig rauszuspeichern...

ich meine ja nur

Re: Vektorgrafik aus Inksacpe einbinden

Beitrag von ich meine ja nur »

Ich sehe gerade, dass die svg-Datei hauptsächlich eine eingebettete Bitmap-Grafik enthält, die nachträglich mit Inkscape beschriftet wurde. Da würde ich eher die Bitmap-Grafik direkt entweder mit overpic oder TikZ beschriften. Dafür extra Inkscape anzuwerfen und dann auf dessen korrekten Export angewiesen zu sein, ist ein wenig von hinten durch die Brust ins Knie.

Übrigens: Schaltbilder kann man auch direkt in LaTeX mit TikZ, circuitikz und ähnlichen Paketen erstellen.

000Fite
Forum-Anfänger
Forum-Anfänger
Beiträge: 43
Registriert: Sa 26. Okt 2013, 18:06

Re: Vektorgrafik aus Inksacpe einbinden

Beitrag von 000Fite »

Danke für den Tipp. Ich kenne mich recht gut mit tikz aus, das ist kein Problem.
Dann wäre es wsl am besten nur die Grafik zu nehmen und diese dann selbst zu beschriften, richtig.
Dann muss ich nur den Grafikexport hinbekommen...

000Fite
Forum-Anfänger
Forum-Anfänger
Beiträge: 43
Registriert: Sa 26. Okt 2013, 18:06

Re: Vektorgrafik aus Inksacpe einbinden

Beitrag von 000Fite »

...aber das scheint irgendwie das Hauptproblem zu sein, dass ich einen PDF-Export von dieser Grafik in Inkscape hinbekomme. Das geht irgendwie nicht...

ich meine ja nur

Re: Vektorgrafik aus Inksacpe einbinden

Beitrag von ich meine ja nur »

Sorry, aber von Inkscape habe ich keine Ahnung. Das ist auch nicht unbedingt ein TeX-Problem. Das solltest du besser in einem Inkscape-Forum fragen. Aber vielleicht hilft dir auch: https://softwarerecs.stackexchange.com/questions/27671/extract-bitmaps-from-svg oder https://superuser.com/questions/299977/how-to-extract-an-embedded-image-from-a-svg-file

000Fite
Forum-Anfänger
Forum-Anfänger
Beiträge: 43
Registriert: Sa 26. Okt 2013, 18:06

Re: Vektorgrafik aus Inksacpe einbinden

Beitrag von 000Fite »

Danke, ich werde es selbst zeichnen. Hat ja auch Vorteile, wenn man es selbst zeichnet.

000Fite
Forum-Anfänger
Forum-Anfänger
Beiträge: 43
Registriert: Sa 26. Okt 2013, 18:06

Re: Vektorgrafik aus Inksacpe einbinden

Beitrag von 000Fite »

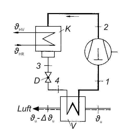
Um, das Thema abzuschließen: Ich habe das Schaltbild selbst mit tikz gezeichnet. Anfangs erscheint es einem viel Arbeit, aber verglichen mit den endlosen Versuchen, das ganze "mal eben schnell" über Inkscacpe oder andere "Tools" zu machen, geht es am Ende schneller als alles andere. Zudem hat man dann auch eine "eigene" Grafik und keine Kopie.
Dateianhänge
crap.JPG

Antworten