von esdd » Do 12. Feb 2015, 11:43
Dein Problem ist die gewählte Dokumentenklasse minimal, in der einfach viele Dinge nicht definiert sind und die sich deshalb
nicht für Minimalbeispiele eignet.
Zum Beispiel liefert der folgende Code
\documentclass{minimal}
\begin{document}
\scriptsize Text
\end{document}
den Fehler: ! Undefined control sequence. \scriptsize
Wähle deshalb eine der KOMA-Script- oder der Standardklassen. Gerade bei einzelnen Zeichnungen bietet sich auch standalone an:
\documentclass[margin=10pt]{standalone}
\usepackage{tikz}
\usepackage{circuitikz}
\begin{document}
\tikzset{component/.style={draw,thick,circle,fill=white,minimum size =0.5cm,inner sep=0pt}}
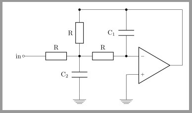
\begin{circuitikz}[european, scale =1.0]
\draw (0,1)node[left] {in} to[short,o-] (0.5,1)
to[R={R},-*] (3,1)
to[R={R},-*] (3,3.5) to[short] (5.5,3.5) to[short] (8.5,3.5) to (8.5,0.5) ;% opamp1.out;
\draw [C, l={C$_2$}] (3,-1) to (3,1) ;
\draw (3,-1)node[ground]{};
\draw (3,1) to [R={R},-*] (5.5,1) to [C, l={C$_1$},-*] (5.5,3.5) ;
\draw (7,0.5) node[op amp] (opamp1) {};
\draw (5.5,1) -- (opamp1.-);
\draw (5.5,-1)node[ground]{} to[short](5.5,0) --(opamp1.+);
\draw (opamp1.out) to [short](8.5,0.5);
\end{circuitikz}
\end{document}
Gruß
Elke

- Dateianhänge
-

- gl_min.png (6.26 KiB) 1302 mal betrachtet
Dein Problem ist die gewählte Dokumentenklasse [tt]minimal[/tt], in der einfach viele Dinge nicht definiert sind und die sich deshalb [b]nicht[/b] für Minimalbeispiele eignet.
Zum Beispiel liefert der folgende Code
[code]\documentclass{minimal}
\begin{document}
\scriptsize Text
\end{document}[/code]
den Fehler: [tt]! Undefined control sequence. \scriptsize[/tt]
Wähle deshalb eine der KOMA-Script- oder der Standardklassen. Gerade bei einzelnen Zeichnungen bietet sich auch [tt]standalone[/tt] an:
[code]\documentclass[margin=10pt]{standalone}
\usepackage{tikz}
\usepackage{circuitikz}
\begin{document}
\tikzset{component/.style={draw,thick,circle,fill=white,minimum size =0.5cm,inner sep=0pt}}
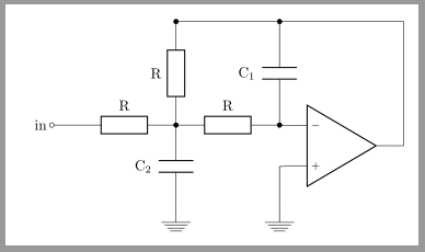
\begin{circuitikz}[european, scale =1.0]
\draw (0,1)node[left] {in} to[short,o-] (0.5,1)
to[R={R},-*] (3,1)
to[R={R},-*] (3,3.5) to[short] (5.5,3.5) to[short] (8.5,3.5) to (8.5,0.5) ;% opamp1.out;
\draw [C, l={C$_2$}] (3,-1) to (3,1) ;
\draw (3,-1)node[ground]{};
\draw (3,1) to [R={R},-*] (5.5,1) to [C, l={C$_1$},-*] (5.5,3.5) ;
\draw (7,0.5) node[op amp] (opamp1) {};
\draw (5.5,1) -- (opamp1.-);
\draw (5.5,-1)node[ground]{} to[short](5.5,0) --(opamp1.+);
\draw (opamp1.out) to [short](8.5,0.5);
\end{circuitikz}
\end{document}[/code]
Gruß
Elke
[img]http://golatex.de/files/gl_min_212.png[/img]