von 000Fite » Mi 16. Nov 2022, 11:42
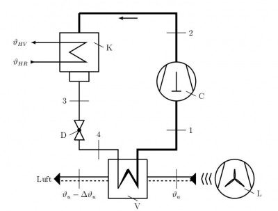
Um, das Thema abzuschließen: Ich habe das Schaltbild selbst mit tikz gezeichnet. Anfangs erscheint es einem viel Arbeit, aber verglichen mit den endlosen Versuchen, das ganze "mal eben schnell" über Inkscacpe oder andere "Tools" zu machen, geht es am Ende schneller als alles andere. Zudem hat man dann auch eine "eigene" Grafik und keine Kopie.
- Dateianhänge
-

Um, das Thema abzuschließen: Ich habe das Schaltbild selbst mit tikz gezeichnet. Anfangs erscheint es einem viel Arbeit, aber verglichen mit den endlosen Versuchen, das ganze "mal eben schnell" über Inkscacpe oder andere "Tools" zu machen, geht es am Ende schneller als alles andere. Zudem hat man dann auch eine "eigene" Grafik und keine Kopie.